|
Tomada de embutir VE (Veículos Eléctricos) 16A 230V AC Modo 1 e 2. IP65 - IK08 - Efapel 81132
Descrição
- Tomada para carregar veiculos elétricos em modo 1 ou modo 2.
- Tomada reforçada: testada com ciclos de carga 8h a 230V~ 16A
- Tomada suporta correntes até 16A, sendo a corrente de carregamento limitada pelo VE e pelo regulamentos de cada país (8A a 16A).

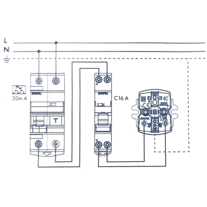
Esquema de Ligações:

Dimensões:

Partilhar este produto
Também pode estar interessado em um destes
LFM 150*100 BR
|
ARDITI
Extensão Eléctrica 2,5m (150*100) fio 2x0,75mm² Branco, Ficha EU 2P Interruptor De Mão
2,35€